測量原理
發射能量很低的極短的微波脈沖通過天線系統發射并接收。雷達波以光速運行。運行時間可以通過
電子部件被轉換成物位信號。一種特殊的時間延伸方法可以確保極短時間內穩定和精確的測量。
即使工況比較復雜的情況下,存在虛假回波,用最新的微處理技術和調試軟件也可以準確的分析出物
位的回波。
輸入
天線接收反射的微波脈沖并將其傳輸給電子線路,微處理器對此信號進行處理,識別出微脈沖在物
料表面所產生的回波。正確的回波信號識別由智能軟件完成,精度可達到毫米級。距離物料表面的
距離D與脈沖的時間行程T成正比:
D=C×T/2
其中C為光速
因空罐的距離E已知,則物位L為:
L=E-D
輸出
通過輸入空罐高度E(=零點),滿罐高度F(=滿量程)及一些應用參數來設定,應用參數將自動
使儀表適應測量環境。對應于4-20mA輸出。
應用介質:
l RD-800系列雷達物位計適用于對液體、漿料及顆粒料的物位進行非接觸式連續測量,適用于溫度、
壓力變化大;有惰性氣體及揮發存在的場合。
l 采用微波脈沖的測量方法,并可在工業頻率波段范圍內正常工作。波束能量較低,可安裝于各種金
屬、非金屬容器或管道內,對人體及環境均無傷害。

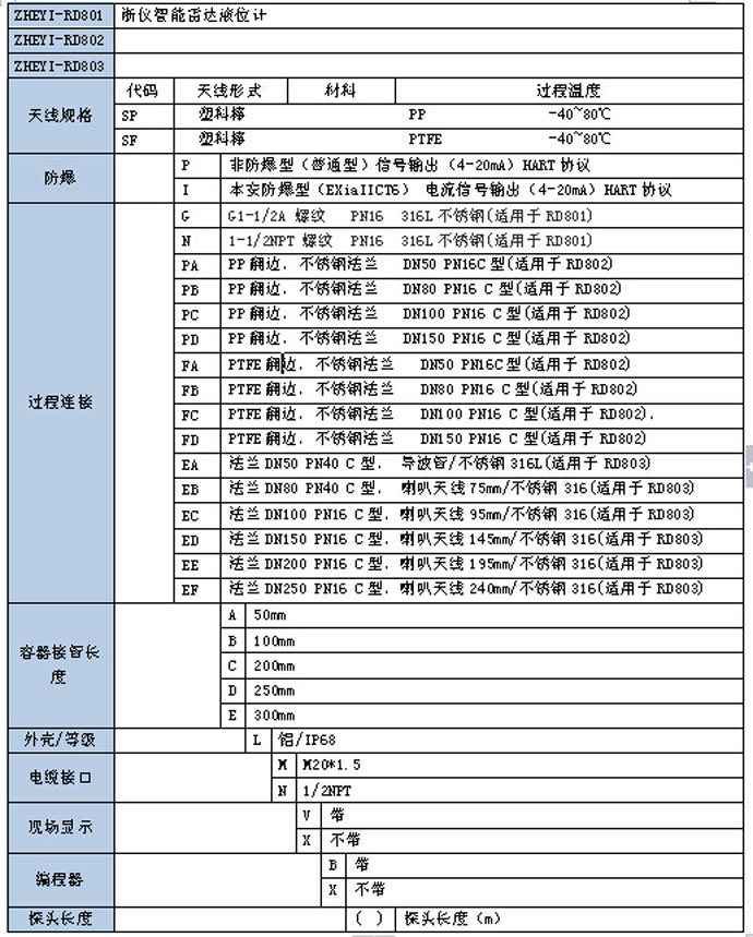
技術數據:
基本參數 工作頻率:6.8GHz
波 束 角: 24°RD-801, RD-802
18°RD-803 帶DN150法蘭
14°RD-803 帶DN200法蘭
12°RD-803 帶DN250法蘭
測量范圍:0…35m
重復性 :±3mm
分辨率 :1mm
采樣 :回波采樣55次/s
響應速度:>0.2s(根據具體使用情況而定)
電流信號:4…20mA
精度 :<0.1%
天線材質 RD-801、RD-802為PP/PTFE
RD-803 為316L不銹鋼
通訊接口 HART通訊協議
過程連接 RD-801 (PP,PTFE天線) :G1-1/2 316L不銹鋼,:
RD-802(棒式天線) :翻邊法蘭DN50,DN80,DN100,DN150
RD-803(喇叭口形式天線):法蘭DN50,DN80,DN100,DN150,DN200,DN250
電源 電源:24V DC(+/-10%),波紋電壓:1Vpp
耗電量:max22.5mA
環境條件 溫度:-40℃…+80℃
容器壓力(表壓)-1…40bar
防爆認證 ExiaII C T6
外殼保護等級 IP68
兩線制接線 供電和信號輸出共用一根兩芯導線
電纜入口:2個M20×1.5(電纜直徑5…9mm)
|